|
|
|
|
|
|
|
Bargraph Display Panel Meter
|
|
|
|
|
|
|
|
Bargraph Display Panel Meter
|
|
|
|
Meters with bargraph are devices ensuring both a high measurement accuracy and very well visualization of the measuring process courses. They can find application in various industrial fields, e.g.food industry, pumping stations and savage-treatment plants, chemical industry, weather stations, brewing industry and many other fields where they are destined for visualisation of the measured value and evaluation of the monitored manufacturing process change trend.
|
|
|
Meters with bargraph are devices ensuring both a high measurement accuracy and very well visualization of the measuring process courses. They can find application in various industrial fields, e.g.food industry, pumping stations and savage-treatment plants, chemical industry, weather stations, brewing industry and many other fields where they are destined for visualisation of the measured value and evaluation of the monitored manufacturing process change trend.
1. Industrial-grade ARM microcontroller and “POWER” power management chip guaranty reliably for a long time.
2. Full range measurement of thermal resistance and thermocouple, standard current and standard voltage ranges can be set arbitrarily
3. The 40-segment ultra-bright LED simulated light column indicates the measured value in percentage, which is especially suitable for liquid level and material level display.
4. Four relay alarm outputs, four alarm modes are optional: upper limit, lower limit, within range, and outside range.
5. It can be used in ultra-lower limit, lower limit, upper limit, and ultra-upper limit control modes to meet various on-site requirements.
6. High-speed analog transmission output, optional transmission range, compatible with various analog acquisition modules
Main Features:
● Power Supply 85V~265VAC or 18~36VDC
● Measuring accuracy: 0.2% FS
● Transmission accuracy: 0.5% FS
● Sampling rate: 5 s
● Input signal: T,R,J, B,S,K, E Thermocouple; Pt100, Cu50 thermal resistance
● Dual 4 Digits LED Numeric Display
● 40 - segment LED bargraph display
● 0~20mA; 4~20mA; 0-10V output types is selectable
● Communication Modbus RS485 (RTU protocol) is optional
● Relay contactor: 250VAC, 7A
● Working temperature -10~50℃
● Two dimension: 80x160x90mm and 160x80x90mm
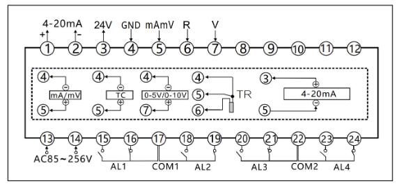
Wiring diagram:

BROCHURE
|
|
【Back】 |
|
|
Category:Process Indicators, Controllers, Electronics
|
|
|
|
|
- Features
- Application
- Download
-
-
-
|
|
|
|
|
|